STC 4.0 HP

STC 4.0 HP – Nova Geração de Peças de Mesa em Grés no âmbito da Cerâmica 4.0, através de uma célula robotizada de fundição por alta pressão

O projeto STC 4.0 HP – a realizar em consórcio pela Grestel, Instituto Politécnico de Bragança e Instituto Politécnico de Leiria, contando ainda com a parceria do Limerick Institute of Technology
(Irlanda) – ambiciona uma nova geração de tableware de grés fino monocozedura direcionado para as potencialidades do paradigma da Ceramic 4.0.

Até à atualidade, não era conjeturável a adoção de peças de reduzida espessura (4mm – fine dinnerware) em virtude das tecnologias de conformação existentes e face ao manuseamento envolvido. A implementação da indústria 4.0 (robotização, cloud computing, visão artificial, computação ubíqua, inteligência artificial e visão computacional) em processos de conformação por alta pressão e posterior acabamento de peças de grés fino vem abordar desafios e oportunidades impensáveis. O estigma associado à indústria cerâmica, antiquada e artesanal, tem sido desafiado pela Grestel com o desenvolvimento de designs inovadores e decorações únicas, bem como I&D para melhoria ambiental (eficiência energética e valorização de resíduos), de novos produtos (pasta chama e de indução) e de processo (vidragem, decoração digital e cozedura laser).

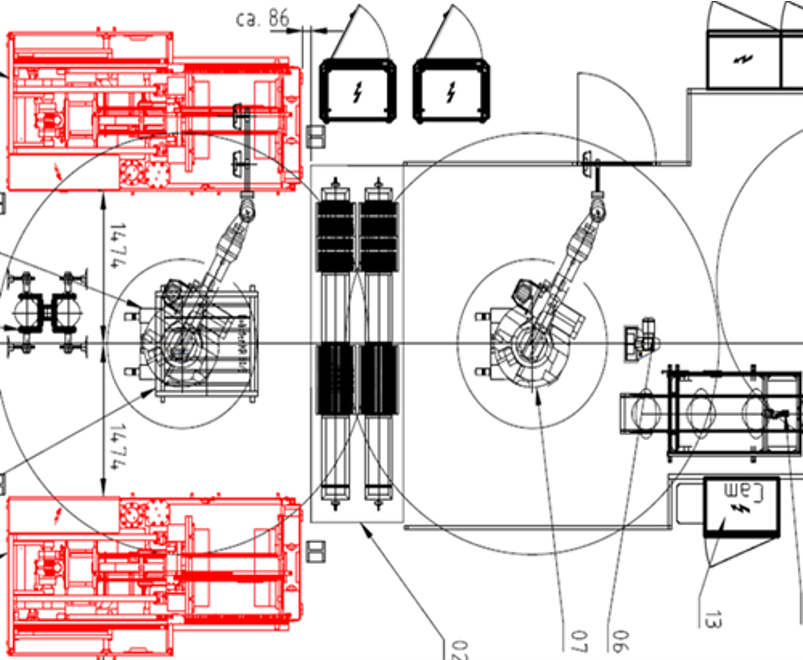
O projeto STC 4.0 HP é um passo gigante na adoção da indústria 4.0, com a robotização da desmoldagem da alta pressão, acabamento e respetivo controlo visual de qualidade digital, e irá permitir ganhos de produtividade e otimização de recursos imbatíveis possibilitando que, colaboradores, hoje afetos a tarefas repetitivas e monótonas, possam ser aproveitados em tarefas de superior valor acrescentado, e a penetração à escala global em nichos de mercado específicos (hotelaria). A remoção do fator humano de tarefas monótonas como transporte e controlo subjetivo da qualidade, a eliminação da manipulação de peças propensa à introdução de defeitos, irá contribuir significativamente para patamares de qualidade disruptivos.

Este projeto permitirá a introdução de metodologias disruptivas no paradigma atual da indústria de louça em grés fino, sendo um passo decisivo no caminho de uma indústria cerâmica 4.0, com uma forte componente de versatilidade, produtiva, de qualidade, mais verde e valorizadora do capital humano

Resultados Pontais:

Entre os resultados mais relevantes atingidos até a data destacam-se o trabalho realizado pelo IPB com o desenvolvimento do primeiro protótipo de acabamento automático de peças de grés em cru e o trabalho desenvolvido pelo IPL na deteção precoce de defeitos provocados na etapa de conformação através de um sistema de visão artificial.